5 рублей 2016 ММД Освобождённые столицы. Бухарест

Аватара пользователя
Gokrora
Сообщения: 877
Зарегистрирован: 18 сен 2019, 09:27:31
Имя: Михаил
Город: СССР

5 рублей 2016 ММД Освобождённые столицы. Бухарест

Непрочитанное сообщение Gokrora » 15 окт 2023, 18:13:46

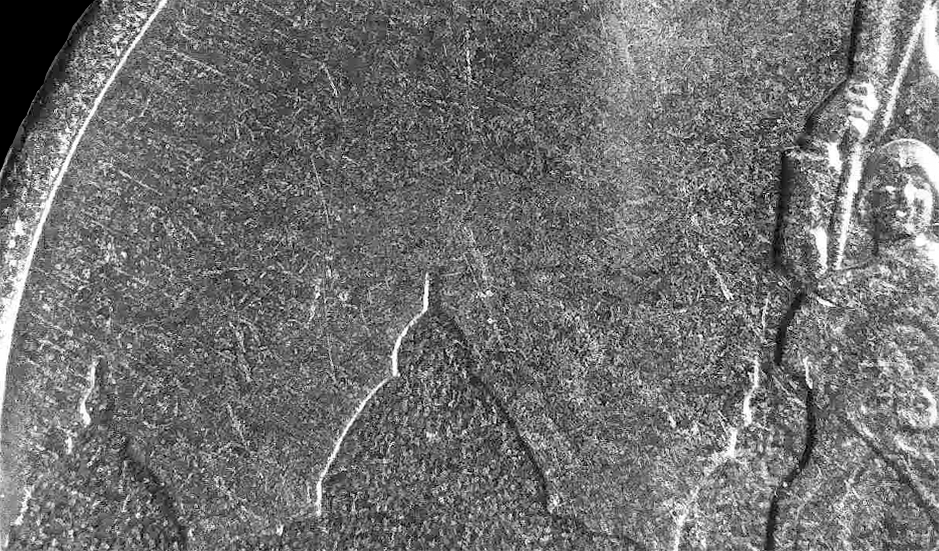
В каталоге указано о единственной штемпельной паре штемпеля 1.1
Сравнил свою монету с показанной в каталоге. ИМХО шлифовка отличается. Монета мешковая, состояние отличное, но шлифовка слабовыраженная, фотографировать было сложно, пришлось изгаляться над освещением:
01.gif
Хорошо заметно, как на обеих монетах с крыши храма "скатываются комья снега" :)
Но опять же, по-разному:
02.gif
02.gif (175.05 КБ) 16397 просмотров

Escande
Администратор
Сообщения: 2234
Зарегистрирован: 09 янв 2018, 09:53:41
Имя: Александр

Re: 5 рублей 2016 ММД Освобождённые столицы. Бухарест

Непрочитанное сообщение Escande » 22 окт 2023, 16:14:47

Да, судя по выкрошкам, другая пара. Смутно помню, что в теме пятёрок надо было добавить шт. пары, но руки так и не дошли. Но пока искать отложенные неохота, всё одно это мало кому интересно.

Аватара пользователя
Gokrora
Сообщения: 877
Зарегистрирован: 18 сен 2019, 09:27:31
Имя: Михаил
Город: СССР

Re: 5 рублей 2016 ММД Освобождённые столицы. Бухарест

Непрочитанное сообщение Gokrora » 23 окт 2023, 11:23:04

Escande писал(а): 22 окт 2023, 16:14:47 ...руки так и не дошли. Но пока искать отложенные неохота, всё одно это мало кому интересно.
Ну, это как сказать.
Процент разновидчиков среди коллекционеров минимален, но среди разновидчиков процент "пошлифовщиков" тоже невысок.
Это не показатель востребовательности, коль уж нас в приципе мало! :D
Но, как раз для этих людей, это не может быть неинтересным.
Иначе, зачем все эти тонкости и нюансы, связанные с поднимаемыми на форуме вопросами, типа "статистика по шт.парам", "количество шт.пар", шлифовки/подшлифовки и т.п.?

Escande
Администратор
Сообщения: 2234
Зарегистрирован: 09 янв 2018, 09:53:41
Имя: Александр

Re: 5 рублей 2016 ММД Освобождённые столицы. Бухарест

Непрочитанное сообщение Escande » 23 окт 2023, 12:49:23

Gokrora писал(а): 23 окт 2023, 11:23:04 Ну, это как сказать.
Процент разновидчиков среди коллекционеров минимален, но среди разновидчиков процент "пошлифовщиков" тоже невысок.
Это не показатель востребовательности, коль уж нас в приципе мало! :D
Но, как раз для этих людей, это не может быть неинтересным.
Да, но процент коллекционеров по шлифовкам юбилейки ещё и на порядок меньше, чем соответствующих коллекционеров регулярки.
Gokrora писал(а): 23 окт 2023, 11:23:04 Иначе, зачем все эти тонкости и нюансы, связанные с поднимаемыми на форуме вопросами, типа "статистика по шт.парам", "количество шт.пар", шлифовки/подшлифовки и т.п.?
Михаил, честно ответить? С моей стороны это сочетание недостатка времени и просто лени :).
Но на самом деле есть более насущие задачи для сайта, сейчас как раз этим и занимаюсь (урывками, когда время позволяет). Надеюсь, к концу этого месяца появится одна полностью переработанная тема и ты сможешь заняться очередной коррекцией :lol:.

Аватара пользователя
Gokrora
Сообщения: 877
Зарегистрирован: 18 сен 2019, 09:27:31
Имя: Михаил
Город: СССР

Re: 5 рублей 2016 ММД Освобождённые столицы. Бухарест

Непрочитанное сообщение Gokrora » 23 окт 2023, 13:31:01

Escande писал(а): 23 окт 2023, 12:49:23 Надеюсь, к концу этого месяца появится одна полностью переработанная тема и ты сможешь заняться очередной коррекцией :lol:.
Спасибо за презентацию, это всегда радует!
Вообще, не представляю как ты находишь время на такой колоссальный объём проделываемой, тобой, работы?
Мой респект и уважуха, и дай Бог тебе сил и времени!
Очень важно, чтобы внутренний душевный запал не затухал.

P/S. Коррекция будет, был бы материал... : :lol:

Escande
Администратор
Сообщения: 2234
Зарегистрирован: 09 янв 2018, 09:53:41
Имя: Александр

Re: 5 рублей 2016 ММД Освобождённые столицы. Бухарест

Непрочитанное сообщение Escande » 25 окт 2023, 06:32:35

Gokrora писал(а): 23 окт 2023, 13:31:01 ...Очень важно, чтобы внутренний душевный запал не затухал.
К сожалению, запал давно иссяк. Но осталась привычка, а она тоже один из двигателей жизнедеятельности :).

Аватара пользователя
Gokrora
Сообщения: 877
Зарегистрирован: 18 сен 2019, 09:27:31
Имя: Михаил
Город: СССР

Re: 5 рублей 2016 ММД Освобождённые столицы. Бухарест

Непрочитанное сообщение Gokrora » 18 дек 2024, 11:10:31

Escande писал(а): 22 окт 2023, 16:14:47 Смутно помню, что в теме пятёрок надо было добавить шт. пары, но руки так и не дошли. Но пока искать отложенные неохота, всё одно это мало кому интересно.
Escande писал(а): 25 окт 2023, 06:32:35 К сожалению, запал давно иссяк. Но осталась привычка, а она тоже один из двигателей жизнедеятельности :).
Escande писал(а): 16 дек 2024, 20:59:26 Надо будет сделать фото всех известных штемпельных пар памятных пятёрок и все выставить на форуме, а не в каталоге. Глядишь, и темы будут пополняться новыми вариантами (в надежде на энтузиазм коллег) :).
Александр, добрый день!
Как говорится "Есть еще порох в пороховницах!". Молодец, что нашёл время и запал, пусть даже с помощью привычки! :D
В Риге, в ссылке, ты не указал, что пар стало две. И было бы неплохо ссылки всех памятных пятёрок сделать активными на выложенные тобою в форуме фото штемпельных пар.

Escande
Администратор
Сообщения: 2234
Зарегистрирован: 09 янв 2018, 09:53:41
Имя: Александр

Re: 5 рублей 2016 ММД Освобождённые столицы. Бухарест

Непрочитанное сообщение Escande » 18 дек 2024, 11:14:43

Михаил, я еще не все пятёрки выставил. Как закончу, ссылки добавлю в каталог. По монетке в теме - ты сделай полное фото, чтобы убедиться, что показан именно шт. 1.1.

Escande
Администратор
Сообщения: 2234
Зарегистрирован: 09 янв 2018, 09:53:41
Имя: Александр

Re: 5 рублей 2016 ММД Освобождённые столицы. Бухарест

Непрочитанное сообщение Escande » 19 дек 2024, 11:57:14

Ссылки в каталог добавил :).

Аватара пользователя
Gokrora
Сообщения: 877
Зарегистрирован: 18 сен 2019, 09:27:31
Имя: Михаил
Город: СССР

Re: 5 рублей 2016 ММД Освобождённые столицы. Бухарест

Непрочитанное сообщение Gokrora » 22 дек 2024, 14:56:10

Escande писал(а): 18 дек 2024, 11:14:43 По монетке в теме - ты сделай полное фото, чтобы убедиться, что показан именно шт. 1.1.
Bucharest_1.2.jpg

Ответить